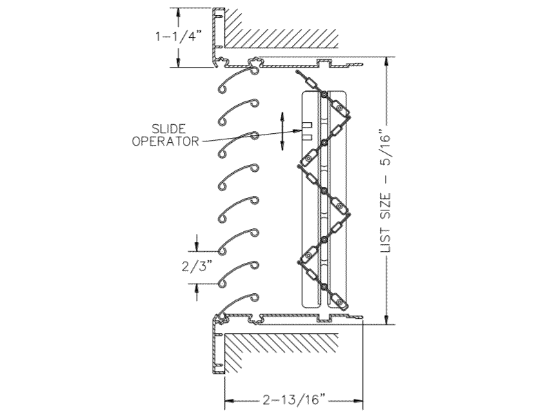
· Horizontal blades fixed on 30 degree deflection and 2/3” spacing
· Opposed Blade Damper with slide operator
· Aluminum rollformed blades provide a stylish appearance
· Pressure fit nylon pivot pins (rattle free & non loosening)
· Aluminum extruded frame with mechanically locked corners
· Countersunk screw holes c/w painted mounting screws
· Max blade length is 22”. Mullions used for larger sizes
Dayus products are made-to-order. They are NON-RETURNABLE. The minimum Dayus order amount is $45 which will be reflected in the basket. List dimensions are the hole measurements. Dayus grilles are undercut to fit inside the hole.
Friday Next Production means the order will ship not this Friday, but next Friday. Order must be placed before 1 pm PST Thursday.
UPS Shipping Zones ![]()

We're here Mon-Fri 8 am to 4:30 pm Pacific.